تصميم وتحليل دوائر التحكم الكهربي | Classic Control

0 (0)

الوصف

✤ وصف الخدمة:
---------------------------
✸ هل تحتاج إلى تصميم دائرة Classic Control دقيقة، آمنة، وقابلة للتنفيذ على أرض الواقع؟
✸ هل ترغب في الحصول على مخطط تحكم احترافي تم إعداده هندسيًا وفق معايير الصناعة والمحركات ونُظم القوى؟

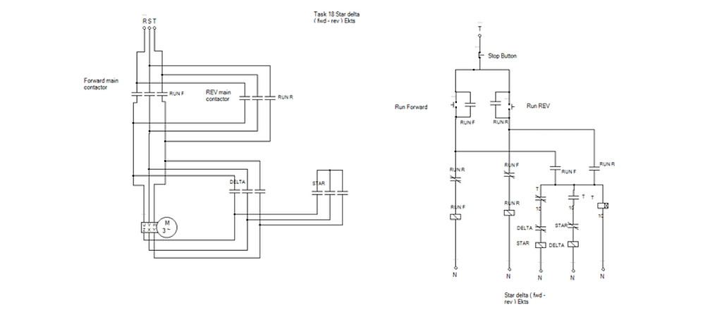
✸ أنا مهندس كهرباء متخصص في أنظمة التحكم ونظم القوى، أعمل على تصميم وتنفيذ وتحليل دوائر التحكم الكلاسيكية بأسلوب احترافي يناسب كلًا من:
المشاريع الأكاديمية – التدريب العملي – الشركات – اللوحات الكهربائية – التطبيقات الصناعية.

✸ أُقدّم لك خدمة شاملة مع تصميم كامل لدائرة التحكم بناءً على متطلباتك، مع رسم المخطط، وتحليل طريقة العمل، وتوضيح مسار الإشارات، وتحديد وسائل الحماية المناسبة للمحرك أو النظام.

✤ البرامج المستخدمة في التنفيذ:
-----------------------------------------------------
✸ EKTS (للمحاكاة العملية)
✸ AutoCAD Electrical.
✸ تصدير الملفات بصيغ: DWG / PDF / EKTS.

✤ مخرجات الخدمة التي ستستلمها:
-------------------------------------------------------
✸ ملف المخطط كاملًا بصيغة DWG أو EKTS
✸ملفات PDF جاهزة للطباعة أو العرض
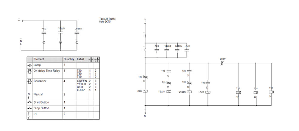
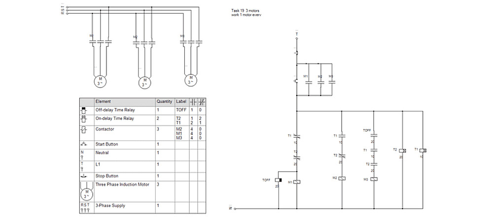
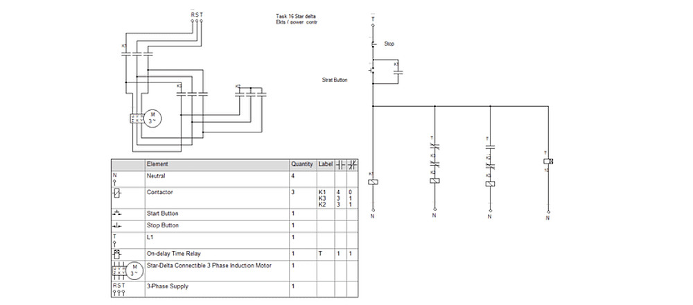
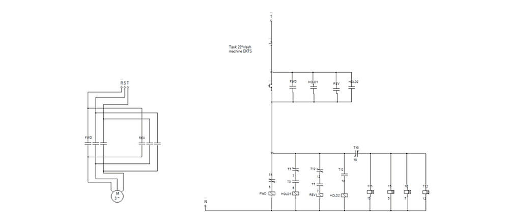
✸الخدمة الاساسية تشمل حتي ((5 Control Component))

✤ لمن تناسب هذه الخدمة؟
--------------------------------------------
✸ الدعم الفني لطلاب مشاريع التخرج
✸ المهندسين والفنيين
✸ شركات الكهرباء والصناعة
✸ من يريد تعلم دوائر التحكم بشكل عملي
✸من يحتاج مخططًا جاهزًا لتنفيذ لوحة كهربائية

إضافات الخدمة

اضافة ساعة Office Hour ساعة واحدة للدعم الفني والشرح

$10 لا يحتاج أيام إضافية

زيادة التصميم بمعدل ((5 Control Componant)) اضافي

$10 يوم

زيادة التصميم بمعدل ((10 Control Componant)) اضافي

$20 يومين

زيادة التصميم بمعدل ((20 Control Componant)) اضافي

$50 4 أيام

شراء الخدمة

المبلغ الكلي $10

البائع

معلومات

السعر $10
مدة التسليم 3 أيام
طلبات قيد التنفيذ 0
الطلبات المكتملة 0
العملاء 0
المبيعات $0

الخدمات المقترحه

Developed by Samer Zaki

All rights reserved © kaf 2025