1 تم الإلغاء
2 مرحلة التنفيذ
3 مرحلة الإستلام

تفاصيل المشروع

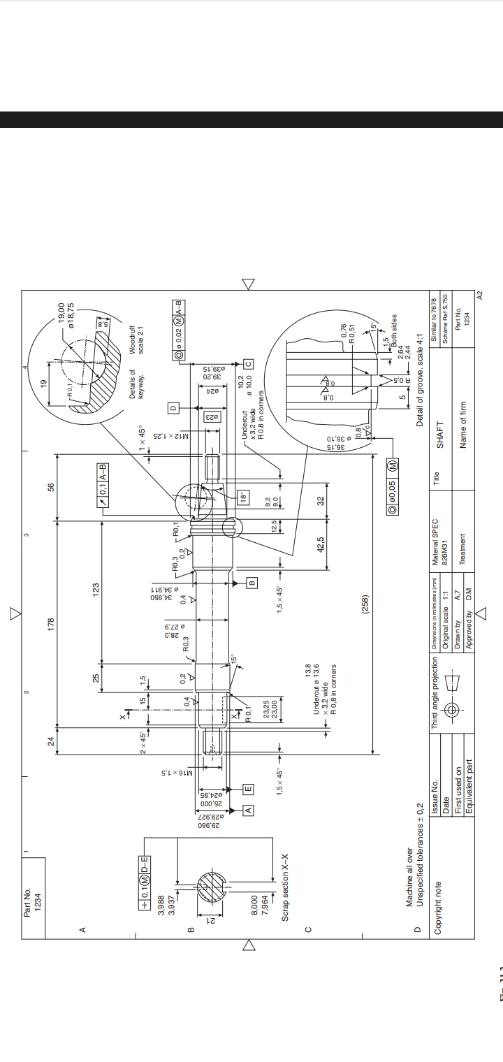
عندي تصميم crankshaft بسيط واحتاج احد يسوي له Engineering drawing .... اغلب Tolarence and surface roughness values موجودة عندي . الرسم لازم يكون ممتاز ويوضح كل شيء مطلوب .. عندي مثال برضوا لشافت اخر .
اريد التصميم ضروري اليوم قبل الساعه 12 بتوقيت مصر
.
المبلغ المتاح هو 25$

عروض

Mohamad Hussien 0.0 (0)

Fullstack .Net developer منذ 4 أشهر

أهلاً بحضرتك،
أنا جاهز أعمل Engineering Drawing للتصميم بتاع الـ Crankshaft اللي عندك بدقة واحترافية.

اللي هعمله:
رسم هندسي كامل يوضح كل التفاصيل الم....

Abdelrahman Farid 0.0 (0)

Creative AI-Generator and Logo Designer منذ 4 أشهر

أقدر أستلم منك تصميم الـ crankshaft واعملك Engineering Drawing بشكل احترافي وواضح، مع إضافة الـ tolerances وsurface roughness حسب البيانات الي هتوفرها.
وب....

Abdelrahman Osama 5.0 (2)

مصمم واجهات وتجربة المستخدم منذ 4 أشهر

جاهز أبدأ في الـ Engineering Drawing للـ crankshaft فوراً.
ابعتلي الموديل 3D (أو الملف اللي عندك) + ملف التوليرانس والـ surface roughness + مثال الشافت ال....

Amr Ali 0.0 (0)

مصمم جرافيك و مسوق و مدير اعمال منذ 4 أشهر

لقد قرات تفاصيل المشروع و استطيع مساعدتك فانا فعلت مثل هذا المشروع تماما لكن قبل ان اعمل في كاف
ماذا تنتظر ؟ تواصل معي الآن ❤....

Hana Elesawy 0.0 (0)

مستقلة متعددة المهارات (برمجة – إدخال بيانات- تطوير المواقع و التطبيقات) منذ 4 أشهر

أستطيع إعداد رسم هندسي احترافي لشافت الكرنك الخاص بكم، مع توضيح جميع الأبعاد، التوليرانس، وقيم الخشونة السطحية المتوفرة لديكم، وبشكل دقيق وواضح تمامًا، مع ....

أضف عرضك

صاحب المشروع

معلومات المشروع

تاريخ النشر 2025-11-19
الميزانية $25 - $50
مدة المشروع يوم
عدد العروض 5
متوسط العروض $25.00

Powered By Brmja Tech

All rights reserved © kaf 2026